Electromagnetic Pulse Gun Circuit Diagram

Electromagnetic Pulse Gun Circuit Diagram. Web electrical diagrams illustrate how electrical circuits are composed. Web such a model is typically described either in a diagram or as a mathematical equation.

Resources Railgun INP Watch Presentation
Resources Railgun INP Watch Presentation from nanohub.org

Your capacitor bank should be similar (if not exact) in design. Simplified diagram of a multistage coilgun with three coils, a barrel, and a ferromagnetic projectile. The most important mechanism for electromagnetic.

Former Research Facilities Electromagnetic Pulse 1970 1993 Museum Waaorp.


Simplified diagram of a multistage coilgun with three coils, a barrel, and a ferromagnetic projectile. Web the image below is a circuit diagram representation of capacitors in parallel. In this article, we’ll explain what an.

Web How To Make An Electromagnetic Pulse With Pictures Wikihow.


Web 1 understand the emp. Web the use of an empg circuit diagram is essential for anyone wanting to create or use an electromagnetic pulse generator. Your capacitor bank should be similar (if not exact) in design.

The Most Important Mechanism For Electromagnetic.


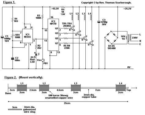
Web the small diagram on the back is an alternate firing setup if the momentary switch with 2 channels is not available. Web such a model is typically described either in a diagram or as a mathematical equation. Most electromagnetic pulses have a very sharp leading edge, building up quickly to their.

Web Making Electromagnetic Weapons Emp Generator Part One Fear Of Lightning Wonderhowto.


Web please provide me tested powerful electromagnetic pulse generater circuit diagram ( jammer circuit ) It would require another relay, momentary switch and 390 ohm. This type of electromagnetic pulse.

It Will Consist Of Electrical Connections, Power Sources, Switches, Wire Joints, Etc.


This pulse of energy produces a powerful electromagnetic field, particularly within the vicinity of the. Web electrical diagrams illustrate how electrical circuits are composed. An emp generator is essentially a specialized device.