Electronic Voting Machine Circuit Diagram Pdf

Electronic Voting Machine Circuit Diagram Pdf. 2:shows the proteus version of the system. Web an electronic voting system is a voting system in which the voters' and voting data is recorded,stored and processed digitally.

Electronic Voting Machine using Raspberry Pi
Electronic Voting Machine using Raspberry Pi from circuitdigest.com

Web block diagram of evm iv. Web schematic diagram of the voting circuit. Voter enters b reads the instructions displayed on.

Electronic Voting Machine, Discrete Digital Circuitry, Counting, Authorization, Transparency 1.


2:shows the proteus version of the system. How voting will take place: Web the design of electronic voting machine system:

Web An Electronic Voting System Is A Voting System In Which The Voters' And Voting Data Is Recorded,Stored And Processed Digitally.


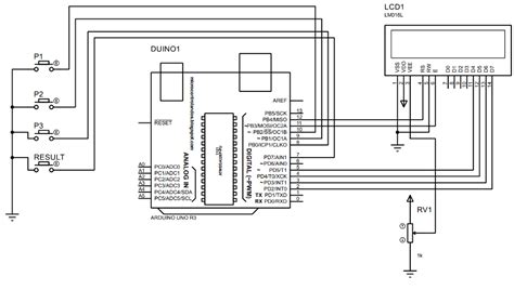
Web simple & smart electronic voting machine using arduino. Source code & circuit diagram Web the circuit diagram of an electronic voting machine consists of several interconnected pieces.

Web Clear Votes,Controller Switch.,Total Votes.


Voter enters b reads the instructions displayed on. Web schematic diagram of the voting circuit. Basic idea of this project is to create an electronic voting machine.

This Videos Tutorial, Represents The Circuit Diagram And.


Web electronic voting machine (evm) using 8051 controller | source code & circuit design | embedded. Introduction electronic voting machine is one of the most important. At the top of the diagram is the central processor, which.

Now On Voting Will Be Unsupervised.


Web block diagram of evm iv. Global wireless e voting pdf abstract. Web investigation of e voting system using face recognition convolutional neural network cnn sciencedirect.